AHRI 550/590

Performance Rating of water-chilling and heat pump water-heating packages Using the vapor compression cycle

50 Hz and 60 Hz Air-Cooled Chiller

  • Chillers between 0 and 600T

  • Units selected for use within the range of Application Rating Conditions as per AHRI Standard 550/590

  • Hermetic or open type, electric motor driven

  •  Up to 600 volts

  • All compressor types

  • Units intended for use with glycol or other secondary coolant for freeze protection with a leaving chilled fluid temperature above 32.0° F are certified when tested with water at Standard Rating Conditions

60 Hz Water-Cooled ChillerAll compressor types

  • Chillers rated between 0 and 3,000T

  • Hermetic or open type electric motor driven

  • Units selected for use within the range of Application Rating Conditions as per AHRI Standard 550/590

  • Voltages up to 15,000 volts

  • Positive Displacement Units intended for use with glycol or other secondary coolant for freeze protection with a leaving chiller

Technical Specifications

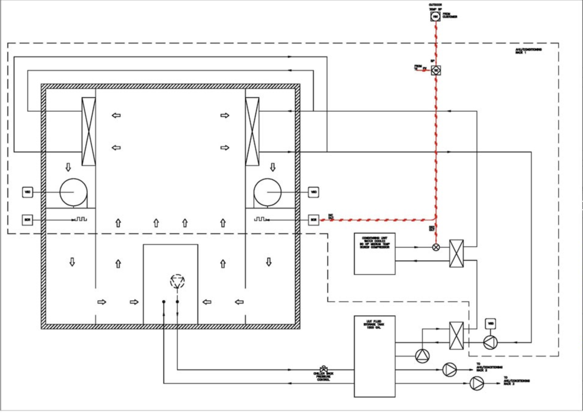
  • Consist of numerous stand alone equipment packages integrated together at customer facility. 300T Base System (10:1 Turndown) includes three-3 100 ton air handling unit modules, each with integrated refrigeration and fluid supply modules that will utilize the unit under tests (UUT) cooling capability.

  • The refrigeration system includes screw compressor packages that supply a flat plate heat exchange in the fluid loop for each AHU. This design allows for integration of supplemental AHU modules, capable of adding incremental 100T capacity. The design also enables each module to be built and shipped at Q’s manufacturing site with sub-assembly only required in the field. Each module is designed to appropriately fit on a truck transport for cross country delivery.

  • Controls and data acquisition for the system will be achieved through an PLC with industry approved DAS rack. A computer performing LabVIEW software will be provided for operator interface.

AHRI 550 590 Cover